概述
FZN25、FZRN25型真空負荷開關和組合電器,適用三相交流50Hz環(huán)網或終端供電和工業(yè)用電設備中,作負荷控制和短路保護之用,負荷開關分合負荷、閉環(huán)電流、空載變壓器和電纜充電電流。組合電器可以開斷直至額定短路電流的任何電流。采用直動式隔離斷口和真空弧室聯動。具有手動和電動功能。
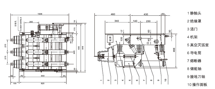
FZN25、FZRN25特別的傳動結構設計,滅弧室僅在關合和開斷的瞬間承受高壓,故體積小,重量輕。
FZN25、FZRN25可實現隔離斷口和滅弧室斷口的一次性操作。
FNZ25、FZRN25在靜觸頭與動觸頭導電筒之間有與接地開關互為聯動的接地活門,既保證了安全又方便了檢修。
產品型號及含義

額定參數

FZRN25-12D/125-31.5 真空負荷開關-熔斷器組合電器外形及安裝尺寸

FZN25-12D/T630-20 真空負荷開關外形及安裝尺寸
